抢占IEEE 802.3bt PoE++先机
selina -- 周二, 02/26/2019 - 11:21
Christopher Gobok ADI公司
汽车以太网(Automotive Ethernet)是一种用于汽车领域的网络通信技术,它基于以太网标准,将高速数据通信引入了现代汽车的电子体系结构。传统的汽车电子系统通常采用专用的数据总线和通信协议,而汽车以太网通过标准的以太网协议,如Ethernet和TCP/IP,实现了更快速、高带宽和灵活的通信。

Christopher Gobok ADI公司

以太网正成为工业应用中日益重要的网络就运动控制而言,以太网、现场总线以及其他技术(如外围组件互连)历来都是相互竞争的,用以在工业自动化和控制系统中获得对一些最苛刻要求的工作负载的处理权限。运动控制应用要求确定性(保证网络能够及时将工作负载传送至预定的节点),这是确保位置保持所必需的,这进而又将确保驱动器的精确停止、适当的加速/减速以及其他任务。

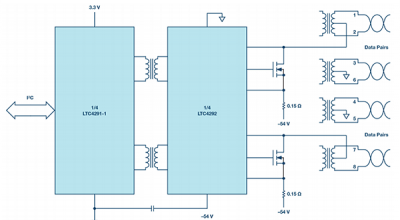
本视频讨论ADI公司在PoE(以太网供电)领域的地位,包括我们在新兴的IEEE802.3bt高功率PoE标准中的地位。

工业以太网系统必须比办公室以太网更健壮。
以太网,特别是工业以太网最近已成为制造业界流行的行业术语。虽然相似,但它们都具有不同的特性和优点。本文将探讨以太网和工业以太网是什么以及它们有何不同。
什么是以太网?