选择合适的电感控制增益隔离电阻器
selina -- 周四, 07/26/2018 - 08:27
Cathal Sheehan Bourns® Electronics Nicola O’Byrne Analog Devices, Inc
介绍
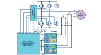
电流检测电阻的使用是电机控制系统设计趋势的一部分,受益于采用新的数字隔离技术。

Cathal Sheehan Bourns® Electronics Nicola O’Byrne Analog Devices, Inc
介绍
电流检测电阻的使用是电机控制系统设计趋势的一部分,受益于采用新的数字隔离技术。